Многооборотная измерительная головка МИГ-1 (КНР)
Многооборотная индикаторная головка МИГ-1 с ценой деления 0,001мм предназначена для измерения линейных размеров абсолютным и относительным методами, определения величины отклонений от заданной геометрической формы и взаимного расположения поверхностей.
| Модель | Цена деления, мм | Диапазон измерений, мм | Погрешность измерения, мкм |
| МИГ-1 | 0,001 | 1,0 | 5 |
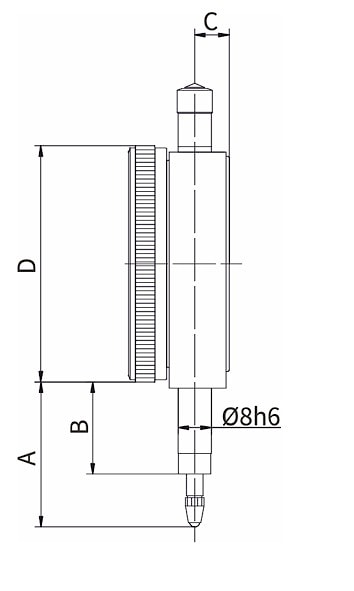
| Размер | А, мм | В, мм | С, мм | D, мм |
| 32,5 | 21 | 8 | Ø 57 |

производитель
ATLAS
Если вы хотите купить многооборотная измерительная головка МИГ-1 (КНР) , вы можете:

